天峻公司在线全自动加药装置简介

发布时间:2024-12-04

1、东莞市天峻水处理机电工程公司申请实用型专利号:201420107169.2

2、全自动加药与排污水处理设备工作原理及经济效益:

2.1、技术背景:工厂中央空调的耗电量比照明大得多,中央空调冷却循环水每天的耗水量也十分大。对于目前水资源紧缺的严峻形势,存在很大的不利因素。且工业循环冷却水的保有水量均小,而且冷却水蒸发很快,COC很高,用人工排污控制不了COC(浓缩倍数),机组不是处于安全状态运行,往往多排水,造成水资源浪费。

实用新型内容

2.2、目的:本全自动加药与排污水处理设备(二罐二泵)的目的是为了提供一种水处理加药排污装置,以解决上述背景技术中提出的问题。

2.3、实施的技术方案:为了达到上述目的,本全自动加药与排污水处理设备(二罐二泵)采用以下技术方案来实现:一种水处理加药排污装置,包括进水口、时间控制仪、计量泵、加药桶、第一闸阀、回水口、PH测定仪、电导率测定仪、第二闸阀、给水口、电磁阀、排水口,所述时间控制仪与进水口连接,所述计量泵与时间控制仪连接,所述加药桶与计量泵连接,所述第一闸阀与加药桶连接,且和回水口连接,所述PH测定仪与加药桶连接,所述电导率测定仪与PH测定仪连接,所述第二闸阀与PH测定仪连接,且和给水口连接,所述电磁阀与电导率测定仪连接,且和排水口连接。

作为优选,所述第一闸阀连接在加药桶和回水口之间。

作为优选,所述PH测定仪和电导率测定仪与电磁阀通过导线连接。

作为优选,所述电导率测定仪通过管道连接在第二闸阀和电磁阀之间。

本全自动加药与排污水处理设备(二罐二泵)通过时间控制仪对时间设定,有效均匀地控制计量泵的加药量,使循环水中的水处理药剂浓度稳定控制在一定范围内,保证水处理的良好效果,从而减缓设备和管道的锈蚀,达到延长主机使用寿命的目的,排污装置通过电导率和PH值控制电磁阀,进行排水自动操作。通过不同季节的水质分析,根据各系统浓缩倍数的情况,自动排污,从而实现浓缩倍数自动控制在规定范围内,避免了人工排污滞后,或排过量水、水质波动大,浪费水的缺点。该装置的主要功能就是对水质在线24小时检测,PH值、电导率、通过以上数据分析水质运行情况,满足目前工业循环水的要求和市场需要。

本全自动加药与排污水处理设备(二罐二泵)电导率和PH值实用新型结构简单,使用方便,自动化排污装置,避免人工排污滞后,有效的对水进行加药排污处理,节约水资源,使机器处于安全运行状态。

附图说明

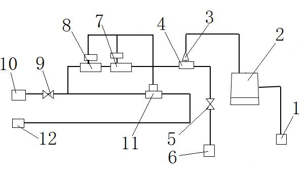
3、图1为本实用新型示意图。

4、全自动加药与排污水处理设备具体实施方式:

下面结合附图和具体实例对本实用新型做进一步详细说明。

如图1所示,本实用新型实施的一种水处理加药排污装置(二罐二泵),包括进水口1、时间控制仪2、计量泵3、加药桶4、第一闸阀5、回水口6、PH测定仪7、电导率测定仪8、第二闸阀9、给水口10、电磁阀11、排水口12,所述时间控制仪2与进水口1连接,所述计量泵3与时间控制仪2连接,所述加药桶4与计量泵3连接,所述第一闸阀5与加药桶4连接,且和回水口6连接,所述PH测定仪7与加药桶4连接,所述电导率测定仪8与PH测定仪7连接,所述第二闸阀9与PH测定仪7连接,且和给水口10连接,所述电磁阀11与电导率测定仪8连接,且和排水口12连接。

作为优选,所述第一闸阀5连接在加药桶4和回水口6之间。

作为优选,所述PH测定仪7和电导率测定仪8与电磁阀11通过导线连接。

作为优选,所述电导率测定仪8通过管道连接在第二闸阀9和电磁阀11之间

一、在线全自动加药与排污装置增值功能:

1.在线全自动加药与排污原理:

1.1、PH值控制在线全自动加药与排污原理:在冷却水塔盘上加装PH值探头、数据传输线和PH值显示器,可在线24小时实时监测冷却水的PH值,同时,我方设定:当PH值≥8.5是,1号电磁阀打开排污至PH值=7.5时,1号电磁阀关闭,停止排污,当PH值≤7.0时,1号计量泵启动加药至PH值=7.8时,1号计量泵停止加药,同时24小时实时汉显PH值;

1.2、电导率值在线控制全自动加药原理:在冷却水塔盘上加装电导率值探头、数据传输线和电导率显示器,同时,冷却水的水质的的原理:我方设定:电导率值≥2000us/cm时,2号电磁阀打开排泄,至电导率值=1000us/cm时,2号电磁阀关闭,停止排污;当电导率值≤1000us/cm时,2号计量泵启动加药至电导率值=600us/cm计量泵停止加药,同时24小时实时汉显电导率值;

2、增值功能:

2.1、增加低液位报警功能;全部以现场冷却水的水质为依据,增设PH值低液位报警功能,当冷却水的设PH值≤6.0时,有低液位报警装置,24小时监控报警。一量发现报警,我方会以2小时赶至现场处理;

2.2、增加加药浓度跟踪和测试装置,当加药浓度和加药量达至要求时,设备全停止加药;

2.3、增加铜挂片与钢挂片在冷却塔塔盘中,每季度取出测量一次重量,计算出钢腐蚀率和铜腐蚀率;由于贵处空调是运行十年以上老旧空调,无法在主机房主管道上割孔后再焊接上阀门的,因此,只能在冷却塔中加挂片;

2.4、此在线全自动加药与排污装置决定是加药还是排污,同时24小时在线PH值和电导率值在显示,直观科学,无人为加药与人这排污,无人为干预!

上一篇:天峻清洗冷却塔工艺 下一篇:什么是中性软化水技术?
深圳市天峻水处理技术有限公司 版权所有